Список форумов Ремонт бытовой техники и електронники Ремонт бытовой техники и электроники
 
  Файло-обменникФайлы    ПрошивкиПрошивки   ПродажаПродажа   ЛитератураЛитература   СтатьиСтатьи 
Файлообменник

Меню сайта

Наши базы

Форма входа

Найти файл
 Искать у Нас 
Помощник


 Искать на Мониторе 
 

Помощник


 Искать на Elektrotanya 
 

Помощник


 Искать на Eserviceinfo 
 


 Искать на Elektroda 
 


 Искать по всему сайту 

Реклама

Найти DataSheet
 Искать на Doc.chipfind 
 


 Искать на Alldatasheet 
 


На Datasheetarchive
 


 Поиск в PDF по Google 

Опознать SMD
 SMD codebook Сахара 

Друзья сайта




REM-TV

Сейчас на сайте
Онлайн всего: 404
Гостей: 348
Пользователей: 56
twister64, werty052, Роман373, venglyk, Serya252, Aliya, bakutin, sahu, AlexBurns, yked, gosha1977, mige123, ollg, milans01, djnik89, aristak, eskander, ВладимирВВ, aganes, stariy68, dubvg, Ljupce, adam7, pupel, witek_pytek, micho21, oulkasse, 74year, eldorado-techno, Василий1974, vlad_1503, Scholes121, harhasflorin, badgerbadger, masterAlex55, mbmserv, serner, JUser, Dimaburnadz, Avladimir, SOTSKY_A, SuOlVi, vlad08, schurik1234, lubos55, игорьигорь, Artemiy_9800, rubin11, Savik, vovka981, [Полный список]

Top 20 Uploaders

Партнёры проекта


Приветствую Вас, ГостьRSS 26.03.2026, 23:18:06

Главная » Файлы » Ноутбуки » платформа Uniwill




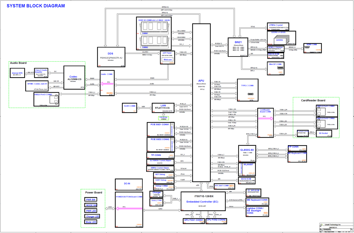
TongFang GM5BG3E REV. VB
Схема TongFang GM5BG3E REV. VB
Чтобы скачать данный файл, нужно Зарегистрироваться, а после и пройти Тест на начальные знания радиоэлектронники и стать Постоянным Участником
Категория: платформа Uniwill
Добавил: Lisus
Могут скачать: Только Постоянные Участники
Просмотров: 92
Размер файла: 2.39Mb
Загрузок:
Файл добавлен: 08.12.2025 в 00:29:55


Всего комментариев: 0
Добавлять комментарии можно только после регистрации и прохождения Теста.
[ Регистрация | Вход ]

Информация Файлообменника
Если Вы нашли совпадающие файлы, качество файла плохое и Вы можете поделится лучшим, есть какое-либо несоответствие, схема подходит к другой модели, марки аппарата и т.д ... обо всем , что касается Файлообменника, пишите в этой теме




Обратная связь | Политика конфиденциальности | Пользовательское соглашение | Публичная оферта (договор) об оказании услуг

ИП Коржова Светлана Николаевна
ИНН: 772336905481
ОГРНИП: 324774600307422
e-mail: remont-aud@rambler.ru
адрес: г.Москва ул.Маршала Голованова 17
remont-aud.net © 2006-2026 | мобильная версия сайта