Список форумов Ремонт бытовой техники и електронники Ремонт бытовой техники и электроники
 
  Файло-обменникФайлы    ПрошивкиПрошивки   ПродажаПродажа   ЛитератураЛитература   СтатьиСтатьи 
Форум

[ Новые сообщенияПравила форумаRSS ] Текущая дата: Воскресенье, 19.10.2025, 08:11:44

  • Страница 1 из 47
  • 1
  • 2
  • 3
  • 46
  • 47
  • »
Результаты поиска
avg73 Дата: Среда, 20.08.2025, 10:18:50 | Сообщение # 1 | Тема: Универсальная плата для стиральных машин SXY3388 | Отредактировал: avg73 - Воскресенье, 24.08.2025, 10:21:50
Скорпион
Сообщений: 760
Здравствуйте уважаемые коллеги!
На рынке лет 5 назад появились эти платы универсальные SXY3388. Покупали и устанавливали, но вот с одной оказалась проблема, не делает слив воды, остальное всё работает, подключаем всё правильно; вроде как, всё проверили, даже меняли микросхему ULN2003.
Три раза менял; думали проблема в ней, всю обвязку проверили. Остаётся только проц, а проц затёрт как будто наждачкой.
Хотел заказать проц, но не видно на нём ничего.
Кто сталкивался с такими платами, подскажите пожалуйста что за проц там установлен?
Спасибо заранее!
Друзья неужели никто такую не видел и не ставил?

Скачать файл можно после регистрации регистрация | вход
Статус: отсутствует
-->
avg73 Дата: Понедельник, 21.07.2025, 16:32:12 | Сообщение # 2 | Тема: СМА NIKURA AWM 600 FLCD | Отредактировал: avg73 - Понедельник, 21.07.2025, 16:44:34
Скорпион
Сообщений: 760
Для просмотра сообщения Вы должны быть Участником форума. Для этого Вам необходимо Зарегистрироваться и пройти Тест.
Скачать файл можно после регистрации регистрация | вход
Статус: отсутствует
-->
avg73 Дата: Понедельник, 21.07.2025, 14:39:29 | Сообщение # 3 | Тема: СМА NIKURA AWM 600 FLCD
Скорпион
Сообщений: 760
Для просмотра сообщения Вы должны быть Участником форума. Для этого Вам необходимо Зарегистрироваться и пройти Тест.
Скачать файл можно после регистрации регистрация | вход
Статус: отсутствует
-->
avg73 Дата: Воскресенье, 20.07.2025, 13:24:21 | Сообщение # 4 | Тема: Общая тема (Новости + новые версии ПО)
Скорпион
Сообщений: 760
Для просмотра сообщения Вы должны быть Участником форума. Для этого Вам необходимо Зарегистрироваться и пройти Тест.
Статус: отсутствует
-->
avg73 Дата: Воскресенье, 20.07.2025, 10:55:27 | Сообщение # 5 | Тема: Компьютер какую ос можно поставить и как? | Отредактировал: avg73 - Воскресенье, 20.07.2025, 18:04:12
Скорпион
Сообщений: 760
Для просмотра сообщения Вы должны быть Участником форума. Для этого Вам необходимо Зарегистрироваться и пройти Тест.
Скачать файл можно после регистрации регистрация | вход
Статус: отсутствует
-->
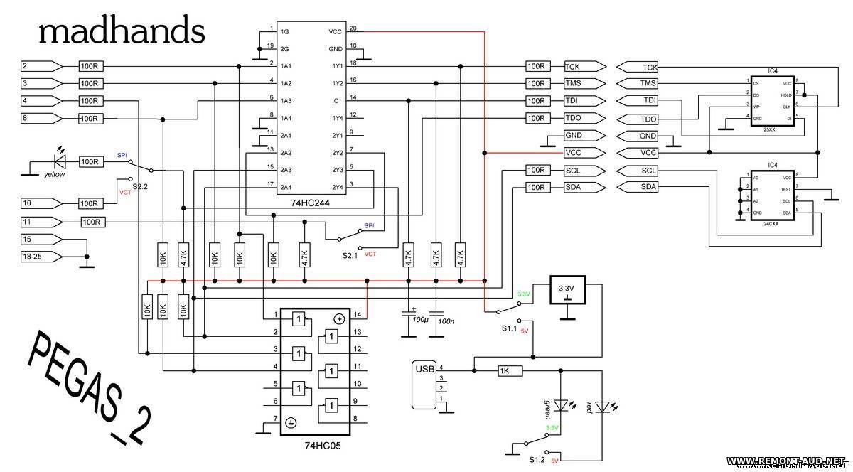
avg73 Дата: Пятница, 18.07.2025, 14:01:21 | Сообщение # 6 | Тема: CH341A софт для прошивки AVR по SPI | Отредактировал: avg73 - Пятница, 18.07.2025, 17:55:12
Скорпион
Сообщений: 760
Для просмотра сообщения Вы должны быть Участником форума. Для этого Вам необходимо Зарегистрироваться и пройти Тест.
Статус: отсутствует
-->
avg73 Дата: Четверг, 17.07.2025, 13:33:48 | Сообщение # 7 | Тема: CH341A софт для прошивки AVR по SPI
Скорпион
Сообщений: 760
Для просмотра сообщения Вы должны быть Участником форума. Для этого Вам необходимо Зарегистрироваться и пройти Тест.
Статус: отсутствует
-->
avg73 Дата: Среда, 16.07.2025, 18:06:20 | Сообщение # 8 | Тема: CH341A софт для прошивки AVR по SPI | Отредактировал: avg73 - Среда, 16.07.2025, 19:12:00
Скорпион
Сообщений: 760
Для просмотра сообщения Вы должны быть Участником форума. Для этого Вам необходимо Зарегистрироваться и пройти Тест.
Скачать файл можно после регистрации регистрация | вход
Статус: отсутствует
-->
avg73 Дата: Вторник, 15.07.2025, 21:07:03 | Сообщение # 9 | Тема: CH341A софт для прошивки AVR по SPI | Отредактировал: avg73 - Вторник, 15.07.2025, 21:18:35
Скорпион
Сообщений: 760
Для просмотра сообщения Вы должны быть Участником форума. Для этого Вам необходимо Зарегистрироваться и пройти Тест.
Скачать файл можно после регистрации регистрация | вход
Статус: отсутствует
-->
avg73 Дата: Суббота, 12.07.2025, 20:46:11 | Сообщение # 10 | Тема: CH341A софт для прошивки AVR по SPI | Отредактировал: avg73 - Суббота, 12.07.2025, 21:25:29
Скорпион
Сообщений: 760
Для просмотра сообщения Вы должны быть Участником форума. Для этого Вам необходимо Зарегистрироваться и пройти Тест.
Статус: отсутствует
-->
avg73 Дата: Суббота, 12.07.2025, 18:13:21 | Сообщение # 11 | Тема: CH341A софт для прошивки AVR по SPI | Отредактировал: avg73 - Суббота, 12.07.2025, 18:51:11
Скорпион
Сообщений: 760
Для просмотра сообщения Вы должны быть Участником форума. Для этого Вам необходимо Зарегистрироваться и пройти Тест.
Статус: отсутствует
-->
avg73 Дата: Четверг, 26.06.2025, 01:53:42 | Сообщение # 12 | Тема: CH341A софт для прошивки AVR по SPI
Скорпион
Сообщений: 760
Для просмотра сообщения Вы должны быть Участником форума. Для этого Вам необходимо Зарегистрироваться и пройти Тест.
Статус: отсутствует
-->
avg73 Дата: Вторник, 24.06.2025, 20:40:49 | Сообщение # 13 | Тема: CH341A софт для прошивки AVR по SPI
Скорпион
Сообщений: 760
Для просмотра сообщения Вы должны быть Участником форума. Для этого Вам необходимо Зарегистрироваться и пройти Тест.
Скачать файл можно после регистрации регистрация | вход
Статус: отсутствует
-->
avg73 Дата: Среда, 18.06.2025, 19:45:55 | Сообщение # 14 | Тема: Работа с Atmel AVR | Отредактировал: avg73 - Среда, 18.06.2025, 19:49:52
Скорпион
Сообщений: 760
Для просмотра сообщения Вы должны быть Участником форума. Для этого Вам необходимо Зарегистрироваться и пройти Тест.
Скачать файл можно после регистрации регистрация | вход
Статус: отсутствует
-->
avg73 Дата: Понедельник, 16.06.2025, 14:28:33 | Сообщение # 15 | Тема: Работа с Atmel AVR | Отредактировал: avg73 - Понедельник, 16.06.2025, 14:41:05
Скорпион
Сообщений: 760
Для просмотра сообщения Вы должны быть Участником форума. Для этого Вам необходимо Зарегистрироваться и пройти Тест.
Статус: отсутствует
-->
  • Страница 1 из 47
  • 1
  • 2
  • 3
  • 46
  • 47
  • »
Поиск:

Форма входа


Статистика сайта
Последние темы Читаемые темы Лучшие пользователи Новые пользователи

LG CK43Раздел: Поиск схем и прошивок аудиоаппаратуры

()

DAEWOO D55DM54UANS,...Раздел: Поиск и запрос прошивок телевизионной техники

()

TCL 55P615Раздел: Технофлейм телевизионной техники

()

Таблица по опознанию...Раздел: Справочная информация по электронным компонентам

()

Vityaz 32LH0202 32LH...Раздел: LCD (ЖК) телевизоры

()

TDA7293.Раздел: Радиодетали и электронные компоненты (опознать,подобрать аналог,найти Datashee)

()

PANASONIC TX-LR32E5 ...Раздел: LCD (ЖК) телевизоры

()

lg 32lk519bplc умень...Раздел: Технофлейм телевизионной техники

()

RT809H

(5518)

machenist

(постов: 13288)

semvictor

(постов: 10107)

ильшат

(постов: 8545)

terrarist

(постов: 6905)

Сантехник

(постов: 6484)

Otto

(постов: 5478)

vini

(постов: 5386)

ФАРТ

(постов: 5357)

Fast67

(19.10.2025)

mezatorix2013

(19.10.2025)

Шныптев

(19.10.2025)

Wikke

(19.10.2025)

anko90

(19.10.2025)

tripleday

(19.10.2025)

cmrnanof

(19.10.2025)

edwin

(19.10.2025)

Новые Файлы Новые Прошивки Новые Статьи, Блоги Счетчики для пользователей

GRUNDIG PA 240

(0)

AOYUE 9060

(0)

Erisson 32ELC2500

(0)

miliohmmeter 1880

(0)

SONY SSN-162AD

(0)

Зарегистрировано всего

(352807)

Зарегистрировано сегодня

(24)

Зарегистрировано вчера

(145)

Зарегистрировано за 7 дней

(859)

Зарегистрировано за 30 дней

(4209)

Новые сайты Новые Мастера в Вашем городе Последние Новости Участники прошедшие тест

sangoo

(19.10.2025)

Apach

(18.10.2025)

Dimon1988

(18.10.2025)

MyTestLogin

(18.10.2025)

Alex2203

(18.10.2025)

bulatkapron

(18.10.2025)

ArNeo333

(18.10.2025)

sasha5858

(18.10.2025)

Namenlos1920zem

(18.10.2025)

EgorKost

(18.10.2025)