|
Результаты поиска
|
|
|
Asket
|
Дата: Воскресенье, Вчера, 22:44:51 | Сообщение # 1 | Тема: Sony PS4 Slim
|
Модераторы
|
Цитата fantom_7 (  ) Я теперь думаю как бы ШИМ целым остался. Нет там шим, а ключи, говоришь, по затвору пробило.
Цитата Asket (  ) у тебя там уже контроллер подбитый по - любому.
|
|
| -->
|
|
|
|
|
Asket
|
Дата: Воскресенье, Вчера, 14:46:06 | Сообщение # 2 | Тема: Sony PS4 Slim
|
Модераторы
|

Для просмотра сообщения Вы должны быть Участником форума. Для этого Вам необходимо Зарегистрироваться и пройти Тест.
|
|
| -->
|
|
|
|
|
|
|
Asket
|
Дата: Суббота, 14.02.2026, 12:51:50 | Сообщение # 4 | Тема: SSD Goldenfir 480 элемент S2DKA в корпусе Sot23-6
|
Модераторы
|
Фото целиком платы и обвязки, назначение элемента, корпус Sot23-6 ?
|
|
| -->
|
|
|
|
|
Asket
|
Дата: Суббота, 14.02.2026, 11:41:08 | Сообщение # 5 | Тема: Робот-пылесос Pioneer VC720R
|
Модераторы
|

Для просмотра сообщения Вы должны быть Участником форума. Для этого Вам необходимо Зарегистрироваться и пройти Тест.
|
|
| -->
|
|
|
|
|
Asket
|
Дата: Пятница, 13.02.2026, 06:12:35 | Сообщение # 6 | Тема: Sony PS4 Slim | Отредактировал: Asket - Пятница, 13.02.2026, 06:26:25
|
Модераторы
|

Для просмотра сообщения Вы должны быть Участником форума. Для этого Вам необходимо Зарегистрироваться и пройти Тест.
Скачать файл можно после регистрации регистрация | вход
|
|
| -->
|
|
|
|
|
Asket
|
Дата: Пятница, 13.02.2026, 06:05:31 | Сообщение # 7 | Тема: Sony PS4 Slim | Отредактировал: Asket - Пятница, 13.02.2026, 06:06:14
|
Модераторы
|

Для просмотра сообщения Вы должны быть Участником форума. Для этого Вам необходимо Зарегистрироваться и пройти Тест.
Скачать файл можно после регистрации регистрация | вход
|
|
| -->
|
|
|
|
|
Asket
|
Дата: Четверг, 12.02.2026, 03:53:12 | Сообщение # 8 | Тема: Sony PS4 Slim | Отредактировал: Asket - Четверг, 12.02.2026, 03:53:39
|
Модераторы
|

Для просмотра сообщения Вы должны быть Участником форума. Для этого Вам необходимо Зарегистрироваться и пройти Тест.
|
|
| -->
|
|
|
|
|
Asket
|
Дата: Среда, 11.02.2026, 06:09:28 | Сообщение # 9 | Тема: Sony PS4 Slim | Отредактировал: Asket - Среда, 11.02.2026, 06:10:25
|
Модераторы
|

Для просмотра сообщения Вы должны быть Участником форума. Для этого Вам необходимо Зарегистрироваться и пройти Тест.
Скачать файл можно после регистрации регистрация | вход
|
|
| -->
|
|
|
|
|
|
|
Asket
|
Дата: Суббота, 07.02.2026, 13:44:08 | Сообщение # 11 | Тема: Xiaomi smart air purifier 4 плата mj-mi4-acm16-kgdy
|
Модераторы
|
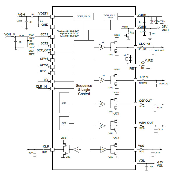
Цитата sdushkin83 (  ) На корпусе единственная надпись JAAJ08 sdushkin83, там точно в начале есть "J" ? Потмоу что AAJ08 - это была бы SG6859, которая подходит тебе.
|
|
| -->
|
|
|
|
|
Asket
|
Дата: Четверг, 05.02.2026, 20:18:58 | Сообщение # 12 | Тема: ТермоПрокладка для IGBT транзистов
|
Модераторы
|

Для просмотра сообщения Вы должны быть Участником форума. Для этого Вам необходимо Зарегистрироваться и пройти Тест.
|
|
| -->
|
|
|
|
|
Asket
|
Дата: Вторник, 03.02.2026, 03:17:12 | Сообщение # 13 | Тема: PS4 PRO
|
Модераторы
|

Для просмотра сообщения Вы должны быть Участником форума. Для этого Вам необходимо Зарегистрироваться и пройти Тест.
|
|
| -->
|
|
|
|
|
Asket
|
Дата: Вторник, 27.01.2026, 03:12:37 | Сообщение # 14 | Тема: Panasonic SA-PT550
|
Модераторы
|

Для просмотра сообщения Вы должны быть Участником форума. Для этого Вам необходимо Зарегистрироваться и пройти Тест.
|
|
| -->
|
|
|
|
|
Asket
|
Дата: Вторник, 27.01.2026, 03:00:02 | Сообщение # 15 | Тема: Электронные компоненты
|
Модераторы
|

Для просмотра сообщения Вы должны быть Участником форума. Для этого Вам необходимо Зарегистрироваться и пройти Тест.
|
|
| -->
|
|
|
|