Список форумов Ремонт бытовой техники и електронники Ремонт бытовой техники и электроники
 
  Файло-обменникФайлы    ПрошивкиПрошивки   ПродажаПродажа   ЛитератураЛитература   СтатьиСтатьи 
Форум

[ Новые сообщенияПравила форумаRSS ] Текущая дата: Пятница, 27.02.2026, 00:07:48

  • Страница 1 из 1
  • 1
Преобразователь 12/220 Qumo
garmowkin Дата: Суббота, 19.11.2016, 20:09:28 | Сообщение # 1
Автор темы
Участники
Сообщений: 209
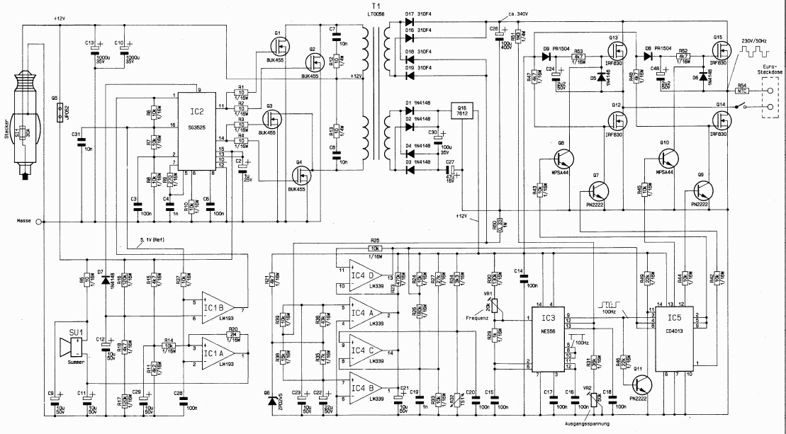
Доброго времени суток! Помогите, пожста, победить заниженное напряжение. Похоже была перегрузка по выходу, в результате которой сгорело три шт. IRF740. Заменил. Появилось около 110 вольт на выходе. На вторичной обмотке трансформатора - 750в. Не понимаю как такое может быть? Помогите, пожста куда копать? (HS153SPJ, FG8788P, RX3152) п.с. Более менее похожая схема
http://radiokot.ru/forum....4ee01ea
Статус: отсутствует
-->
  • Страница 1 из 1
  • 1
Поиск:

Форма входа


Статистика сайта
Последние темы Читаемые темы Лучшие пользователи Новые пользователи

FANTOM FP-7095 (виси...Раздел: Технофлейм CarAudio

()

EZGY WT-32165C (шасс...Раздел: Монитoры

()

ALTO MAC 2.3 MAC 2....Раздел: Профессиональная аудиоаппаратура

()

Навигационный модуль...Раздел: Поиск схем и прошивок CarAudio

()

Panasonic TX-40ASR65...Раздел: Технофлейм телевизионной техники

()

Pride FR 600.2 Pride...Раздел: Корзина

()

Ноутбук Echips Teen ...Раздел: Компьютерная и оргтехника

()

Realme TV 32 (шасси:...Раздел: LCD (ЖК) телевизоры

()

RT809H

(5647)

machenist

(постов: 13754)

semvictor

(постов: 10216)

ильшат

(постов: 8437)

terrarist

(постов: 6905)

Сантехник

(постов: 6482)

ФАРТ

(постов: 5676)

Otto

(постов: 5578)

vini

(постов: 5397)

jurasiom

(27.02.2026)

Chron-O-John

(26.02.2026)

pololo40

(26.02.2026)

valakas6

(26.02.2026)

sass678

(26.02.2026)

SevaXXL

(26.02.2026)

IBYBOX

(26.02.2026)

Smaiili

(26.02.2026)

Новые Файлы Новые Прошивки Новые Статьи, Блоги Счетчики для пользователей

image usb tool

(0)

Logo Tool

(0)

Tcon editör

(0)

RTK_Unpacking_Tool

(0)

Image Extractor_3.1_Tool

(0)

MTK_Boot_Extractor_v1.1.0

(0)

Dump Repair v1.9

(0)

Hisense Firmware

СVAT + Gemini

Philips 40PFL5625

Зарегистрировано всего

(373836)

Зарегистрировано сегодня

(183)

Зарегистрировано вчера

(204)

Зарегистрировано за 7 дней

(1251)

Зарегистрировано за 30 дней

(5270)

Новые сайты Новые Мастера в Вашем городе Последние Новости Участники прошедшие тест

SevaXXL

(26.02.2026)

hexrf

(26.02.2026)

avpetrow76

(26.02.2026)

starodubtseva

(26.02.2026)

berkyt_max

(26.02.2026)

mmmazay

(26.02.2026)

Andreyxbn01

(26.02.2026)

fresher18

(26.02.2026)

hrnsky

(26.02.2026)

grip19

(26.02.2026)