Список форумов Ремонт бытовой техники и електронники Ремонт бытовой техники и электроники
 
  Файло-обменникФайлы    ПрошивкиПрошивки   ПродажаПродажа   ЛитератураЛитература   СтатьиСтатьи 
Форум

[ Новые сообщенияПравила форумаRSS ] Текущая дата: Воскресенье, 23.11.2025, 13:04:03

  • Страница 1 из 1
  • 1
Модератор форума: KleoM  
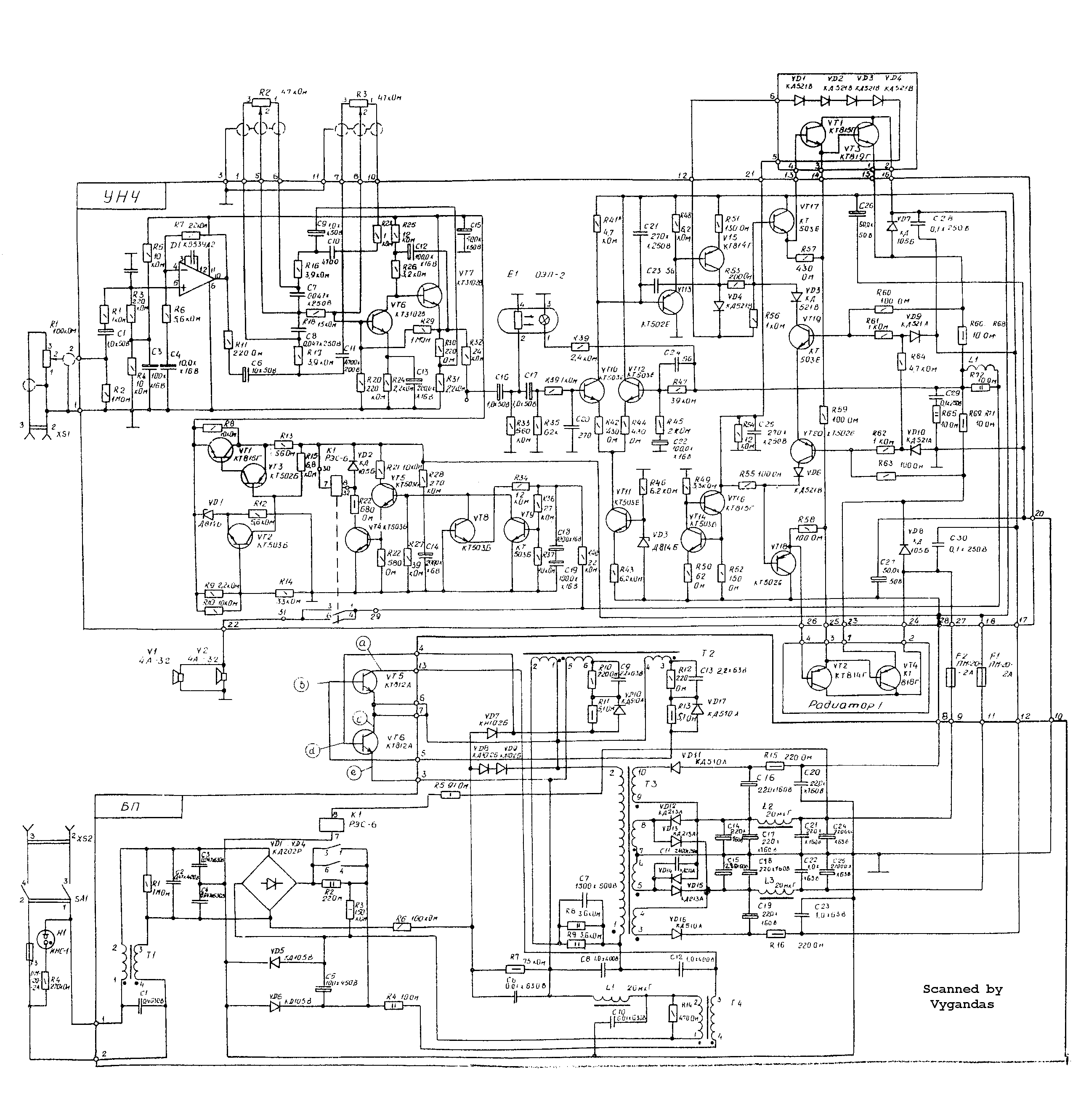
VENTA УАУ 031
Jenik Дата: Вторник, 22.01.2013, 20:03:44 | Сообщение # 1 | Отредактировал: Jenik - Воскресенье, 10.02.2013, 15:36:28

Автор темы
Участники
Сообщений: 1028
Мои познания в ремонте данного вида техники: Занимаюсь ремонтом
Наличие схемы: есть очень похожая от другого УАУ http://radiokot.ru/forum/download/file.php?id=54180

лет 15 назад приходилось сталкиваться с такими раритетами. Тогда они как-то на раз делались, не сложнее блока питания цветного телика Горизонт, а они шли массово.
Это гитарный комбо 12"
Сейчас открыл и вижу блок питания размером и количеством деталей сложнее и крупнее самого усилителя :)
Проверил все п/п прозвонкой - криминала нет.
Ни в усилителе, ни в БП.
Резисторов немного - тоже обмерял, как новые.
Но признаков жизни никаких, ни писка, ничего.
Напряжение на силовых элементах БП - есть, контроллера, как такового там нет, все сделано на динисторе и трансах.
Электролиты - живые, торы выглядят хорошо, следов перегрева деталей нет.
ключи - КТ812А - целые, диоды, тоже
динистор еще проверить может(как?)
По центру платы еще прикручен тиристор(на моей схеме его нет, есть реле) - вроде тоже целый.
Подтолкните, плз.
Статус: отсутствует
-->
ankol62 Дата: Вторник, 22.01.2013, 22:02:06 | Сообщение # 2
Участники
Сообщений: 1575
Для просмотра сообщения Вы должны быть Участником форума. Для этого Вам необходимо Зарегистрироваться и пройти Тест.
Статус: отсутствует
-->
Jenik Дата: Вторник, 22.01.2013, 22:18:04 | Сообщение # 3

Автор темы
Участники
Сообщений: 1028
Для просмотра сообщения Вы должны быть Участником форума. Для этого Вам необходимо Зарегистрироваться и пройти Тест.
Статус: отсутствует
-->
ankol62 Дата: Вторник, 22.01.2013, 22:36:37 | Сообщение # 4 | Отредактировал: ankol62 - Вторник, 22.01.2013, 22:48:43
Участники
Сообщений: 1575
Для просмотра сообщения Вы должны быть Участником форума. Для этого Вам необходимо Зарегистрироваться и пройти Тест.
Статус: отсутствует
-->
Jenik Дата: Вторник, 22.01.2013, 22:54:59 | Сообщение # 5

Автор темы
Участники
Сообщений: 1028
Для просмотра сообщения Вы должны быть Участником форума. Для этого Вам необходимо Зарегистрироваться и пройти Тест.
Статус: отсутствует
-->
ankol62 Дата: Вторник, 22.01.2013, 22:59:04 | Сообщение # 6
Участники
Сообщений: 1575
Для просмотра сообщения Вы должны быть Участником форума. Для этого Вам необходимо Зарегистрироваться и пройти Тест.
Статус: отсутствует
-->
Аркадич Дата: Среда, 23.01.2013, 01:11:53 | Сообщение # 7 | Отредактировал: Аркадич - Среда, 23.01.2013, 18:34:25
Участники
Сообщений: 1428
Для просмотра сообщения Вы должны быть Участником форума. Для этого Вам необходимо Зарегистрироваться и пройти Тест.
Статус: отсутствует
-->
Jenik Дата: Суббота, 26.01.2013, 16:20:16 | Сообщение # 8 | Отредактировал: Jenik - Суббота, 26.01.2013, 16:22:36

Автор темы
Участники
Сообщений: 1028
Для просмотра сообщения Вы должны быть Участником форума. Для этого Вам необходимо Зарегистрироваться и пройти Тест.
Статус: отсутствует
-->
Аркадич Дата: Суббота, 26.01.2013, 19:24:12 | Сообщение # 9
Участники
Сообщений: 1428
Для просмотра сообщения Вы должны быть Участником форума. Для этого Вам необходимо Зарегистрироваться и пройти Тест.
Статус: отсутствует
-->
Jenik Дата: Суббота, 26.01.2013, 22:00:40 | Сообщение # 10

Автор темы
Участники
Сообщений: 1028
Для просмотра сообщения Вы должны быть Участником форума. Для этого Вам необходимо Зарегистрироваться и пройти Тест.
Статус: отсутствует
-->
ankol62 Дата: Суббота, 26.01.2013, 22:06:58 | Сообщение # 11
Участники
Сообщений: 1575
Для просмотра сообщения Вы должны быть Участником форума. Для этого Вам необходимо Зарегистрироваться и пройти Тест.
Скачать файл можно после регистрации регистрация | вход
Статус: отсутствует
-->
Jenik Дата: Суббота, 26.01.2013, 22:13:48 | Сообщение # 12

Автор темы
Участники
Сообщений: 1028
Для просмотра сообщения Вы должны быть Участником форума. Для этого Вам необходимо Зарегистрироваться и пройти Тест.
Статус: отсутствует
-->
ankol62 Дата: Суббота, 26.01.2013, 22:25:27 | Сообщение # 13
Участники
Сообщений: 1575
Для просмотра сообщения Вы должны быть Участником форума. Для этого Вам необходимо Зарегистрироваться и пройти Тест.
Статус: отсутствует
-->
Jenik Дата: Воскресенье, 10.02.2013, 15:36:15 | Сообщение # 14 | Отредактировал: Jenik - Воскресенье, 10.02.2013, 15:38:15

Автор темы
Участники
Сообщений: 1028
Для просмотра сообщения Вы должны быть Участником форума. Для этого Вам необходимо Зарегистрироваться и пройти Тест.
Статус: отсутствует
-->
  • Страница 1 из 1
  • 1
Поиск:

Форма входа


Статистика сайта
Последние темы Читаемые темы Лучшие пользователи Новые пользователи

Noname E5-OLOM/01 64...Раздел: Ремонт CarAudio

()

iFFALCON (TCL) IFF43...Раздел: LCD (ЖК) телевизоры

()

Замена FAN 6755 на ...Раздел: Технофлейм телевизионной техники

()

Кофеварка inhouse ic...Раздел: Радиодетали и электронные компоненты (опознать,подобрать аналог,найти Datashee)

()

lenovo yoga t500 (в ...Раздел: Видеопроекторы

()

Кит.samsung S-4300;p...Раздел: Поиск и запрос прошивок телевизионной техники

()

Телевизор DNS K42DS7...Раздел: Поиск и запрос прошивок телевизионной техники

()

Общая тема (Новости ...Раздел: Postal 3 (USB)

()

RT809H

(5606)

machenist

(постов: 13404)

semvictor

(постов: 10139)

ильшат

(постов: 8599)

terrarist

(постов: 6905)

Сантехник

(постов: 6484)

Otto

(постов: 5495)

ФАРТ

(постов: 5427)

vini

(постов: 5391)

AndyDufr

(23.11.2025)

semenmax2002

(23.11.2025)

Jdbas2025

(23.11.2025)

fuiu

(23.11.2025)

SergeevAnatol

(23.11.2025)

ork_servise2

(23.11.2025)

vovikvovik999

(23.11.2025)

dan4ikbek

(23.11.2025)

Новые Файлы Новые Прошивки Новые Статьи, Блоги Счетчики для пользователей

LG XBOOM MODEL:RNC9

(0)

LG XBOOM MODEL:RNC9

(0)

INDESIT IWUB 4085 (CIS)

(0)

ONKYO TA-2760

(0)

ONKYO TA-2750

(0)

Зарегистрировано всего

(358437)

Зарегистрировано сегодня

(45)

Зарегистрировано вчера

(170)

Зарегистрировано за 7 дней

(1076)

Зарегистрировано за 30 дней

(4891)

Новые сайты Новые Мастера в Вашем городе Последние Новости Участники прошедшие тест

vovikvovik999

(23.11.2025)

GOGA122345

(23.11.2025)

joywell

(23.11.2025)

SirSicvest

(23.11.2025)

Meyliyev_0323

(23.11.2025)

sborula

(23.11.2025)

Visor-74

(23.11.2025)

Zhiroban

(23.11.2025)

mdat7677

(23.11.2025)

Индеец

(22.11.2025)