Список форумов Ремонт бытовой техники и електронники Ремонт бытовой техники и электроники
 
  Файло-обменникФайлы    ПрошивкиПрошивки   ПродажаПродажа   ЛитератураЛитература   СтатьиСтатьи 
Форум

[ Новые сообщенияПравила форумаRSS ] Текущая дата: Четверг, 05.02.2026, 07:20:06

  • Страница 1 из 2
  • 1
  • 2
  • »
Модератор форума: COS5020, G67985, milcin68  
Sony KDL-32R424A (шасси: RB1FK)
roma1408 Дата: Пятница, 16.01.2026, 00:30:43 | Сообщение # 1 | Отредактировал: roma1408 - Пятница, 16.01.2026, 00:32:00
Автор темы
Участники
Сообщений: 101
Мои познания в ремонте данного вида техники: Любитель
Наличие схемы: Схема БП - https://tel-spb.ru/downloads/?file=Sony-APS-348-349-350.rar

Состав аппарата.
Марка и модель - Sony KDL-32R424A
Шасси (если известно) - RB1FK
Основная плата - Y200A530A / 1P-012CJ01-4010, собрана на:
MT5367ZUHU, FP6145B, FR8001, AOZ1044PI, Z1043PI, 4612, APL3546A
Блок питания (PSU) - APS-348C, собран на: BD7677FJ (PFC),MIP2H2 (Standby),CXA3810M (PWM resonant),LV5980MC
LCD матрица - S320DB3-1
Прочее (T-CON, инвертор...) - LED driver: BD9488F

Мануал (без схемы):
https://remont-aud.net/load....0-28046

Симптомы:
Включаешь ТВ — работает около 30 секунд и отключается. После отключения не светится даже индикатор дежурного режима.
На кнопки и пульт не реагирует, звука нет. Если подождать 10–20 минут, снова включается и может проработать до минуты.
Проверил конденсаторы по ESR, пропаял шасси — ничего подозрительного не нашёл. В интернете похожего дефекта вроде нет.
Нашёл похожий случай: у человека ТВ циклически перезагружался, помогла прошивка 4G12 (ROHM 24G128).
Но в моём случае дефект, похоже, зависит от нагрева — либо что-то «плывёт», либо есть утечка.

Как запустить данный БП автономно? Как корректно разделить проблему: БП или основная плата?
БП очень «мудрёный», много защит.

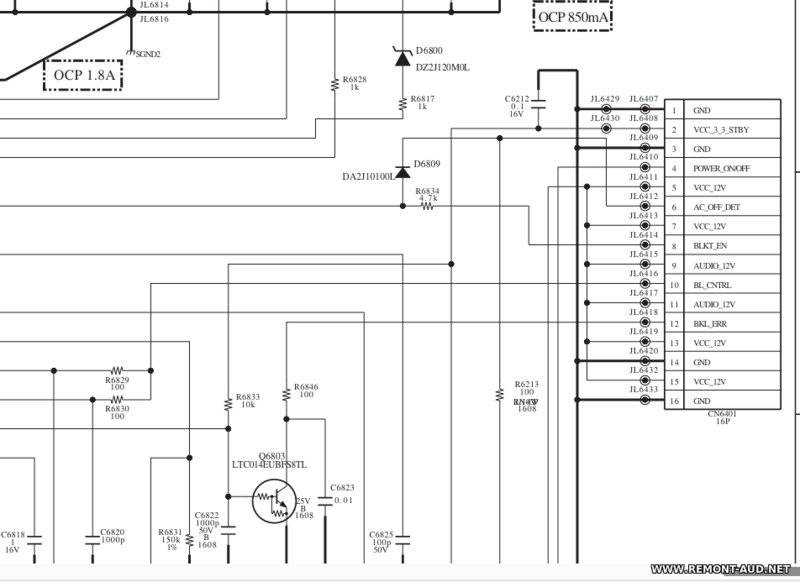
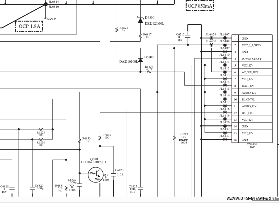
Замеры на разъёме БП (когда ТВ работает):
Pin 2 — VCC_3_3_STBY: 3.3В
Pin 4 — POWER_ON/OFF: 3.28В
Pin 6 — AC_OFF_DET: 2.4В
Pin 8 — BLKT_EN: 3.1В
Pin 10 — BL_CNTRL: 1.64В
Pin 12 — BKL_ERR: 0.66В

Замеры на разъёме БП (когда ТВ не работает, индикатор не горит):
Pin 2 — VCC_3_3_STBY: 3.3В
Pin 4 — POWER_ON/OFF: 0В
Pin 6 — AC_OFF_DET: 2.06В
Pin 8 — BLKT_EN: 0В
Pin 10 — BL_CNTRL: 0В
Pin 12 — BKL_ERR: 0В

Скачать файл можно после регистрации регистрация | вход
Статус: отсутствует
-->
witim Дата: Пятница, 16.01.2026, 08:42:15 | Сообщение # 2
Участники
Сообщений: 896
Для просмотра сообщения Вы должны быть Участником форума. Для этого Вам необходимо Зарегистрироваться и пройти Тест.
Статус: отсутствует
-->
MASTERSTARIY Дата: Пятница, 16.01.2026, 11:09:43 | Сообщение # 3 | Отредактировал: MASTERSTARIY - Пятница, 16.01.2026, 11:10:29
Участники
Сообщений: 5266
Для просмотра сообщения Вы должны быть Участником форума. Для этого Вам необходимо Зарегистрироваться и пройти Тест.
Статус: отсутствует
-->
bumbox Дата: Пятница, 16.01.2026, 11:28:09 | Сообщение # 4
Участники
Сообщений: 851
Для просмотра сообщения Вы должны быть Участником форума. Для этого Вам необходимо Зарегистрироваться и пройти Тест.
Статус: отсутствует
-->
DimonR Дата: Пятница, 16.01.2026, 12:09:17 | Сообщение # 5
Участники
Сообщений: 942
Для просмотра сообщения Вы должны быть Участником форума. Для этого Вам необходимо Зарегистрироваться и пройти Тест.
Статус: отсутствует
-->
roma1408 Дата: Суббота, 17.01.2026, 00:13:41 | Сообщение # 6
Автор темы
Участники
Сообщений: 101
Для просмотра сообщения Вы должны быть Участником форума. Для этого Вам необходимо Зарегистрироваться и пройти Тест.
Скачать файл можно после регистрации регистрация | вход
Статус: отсутствует
-->
Refanovih Дата: Суббота, 17.01.2026, 08:40:13 | Сообщение # 7
Участники
Сообщений: 275
Для просмотра сообщения Вы должны быть Участником форума. Для этого Вам необходимо Зарегистрироваться и пройти Тест.
Статус: отсутствует
-->
mikmik709 Дата: Суббота, 17.01.2026, 10:08:04 | Сообщение # 8
Участники
Сообщений: 30
Для просмотра сообщения Вы должны быть Участником форума. Для этого Вам необходимо Зарегистрироваться и пройти Тест.
Статус: отсутствует
-->
Refanovih Дата: Суббота, 17.01.2026, 11:15:24 | Сообщение # 9 | Отредактировал: Refanovih - Суббота, 17.01.2026, 11:27:54
Участники
Сообщений: 275
Для просмотра сообщения Вы должны быть Участником форума. Для этого Вам необходимо Зарегистрироваться и пройти Тест.
Статус: отсутствует
-->
bumbox Дата: Суббота, 17.01.2026, 11:40:42 | Сообщение # 10
Участники
Сообщений: 851
Для просмотра сообщения Вы должны быть Участником форума. Для этого Вам необходимо Зарегистрироваться и пройти Тест.
Статус: отсутствует
-->
Captain Дата: Суббота, 17.01.2026, 13:07:15 | Сообщение # 11 | Отредактировал: Captain - Суббота, 17.01.2026, 13:08:42
Участники
Сообщений: 2478
Для просмотра сообщения Вы должны быть Участником форума. Для этого Вам необходимо Зарегистрироваться и пройти Тест.
Статус: отсутствует
-->
Zloy_zp Дата: Суббота, 17.01.2026, 14:21:29 | Сообщение # 12 | Отредактировал: Zloy_zp - Суббота, 17.01.2026, 14:21:52
Участники
Сообщений: 4729
Для просмотра сообщения Вы должны быть Участником форума. Для этого Вам необходимо Зарегистрироваться и пройти Тест.
Статус: отсутствует
-->
roma1408 Дата: Суббота, 17.01.2026, 23:19:00 | Сообщение # 13 | Отредактировал: roma1408 - Суббота, 17.01.2026, 23:20:17
Автор темы
Участники
Сообщений: 101
Для просмотра сообщения Вы должны быть Участником форума. Для этого Вам необходимо Зарегистрироваться и пройти Тест.
Скачать файл можно после регистрации регистрация | вход
Статус: отсутствует
-->
Captain Дата: Воскресенье, 18.01.2026, 07:15:39 | Сообщение # 14
Участники
Сообщений: 2478
Для просмотра сообщения Вы должны быть Участником форума. Для этого Вам необходимо Зарегистрироваться и пройти Тест.
Статус: отсутствует
-->
Refanovih Дата: Воскресенье, 18.01.2026, 12:29:04 | Сообщение # 15
Участники
Сообщений: 275
Для просмотра сообщения Вы должны быть Участником форума. Для этого Вам необходимо Зарегистрироваться и пройти Тест.
Статус: отсутствует
-->
  • Страница 1 из 2
  • 1
  • 2
  • »
Поиск:

Форма входа


Статистика сайта
Последние темы Читаемые темы Лучшие пользователи Новые пользователи

Ресивер телекартаРаздел: Спутниковое ТВ

()

JBL Link 10Раздел: Поиск схем и прошивок аудиоаппаратуры

()

ELTronic Art.: 20-53...Раздел: Бытовая аудиоаппаратура

()

LG 55LE7500-ZA Main...Раздел: Поиск схем, datasheet и аналогов деталей ТВ техники

()

Ssmart 32FSV22 S.T.C...Раздел: Поиск и запрос прошивок телевизионной техники

()

SUPRA stv-lc32st007...Раздел: Поиск и запрос прошивок телевизионной техники

()

HAIER 50 Smart TV S3...Раздел: LCD (ЖК) телевизоры

()

TCL TCL L65P2US (шас...Раздел: LCD (ЖК) телевизоры

()

RT809H

(5647)

machenist

(постов: 13660)

semvictor

(постов: 10187)

ильшат

(постов: 8413)

terrarist

(постов: 6905)

Сантехник

(постов: 6482)

ФАРТ

(постов: 5637)

Otto

(постов: 5557)

vini

(постов: 5394)

nrkolev

(05.02.2026)

MoraDF

(05.02.2026)

dfkthmzy

(05.02.2026)

WILLIAMCHICLOTE

(05.02.2026)

ReDline86

(05.02.2026)

kruzo80

(05.02.2026)

Gahsh

(05.02.2026)

wass83

(05.02.2026)

Новые Файлы Новые Прошивки Новые Статьи, Блоги Счетчики для пользователей

Electrolux Mod.EWW1697MDW

(0)

LS2B-DALS2BMBAG0-Rev-G

(0)

Casper CKY Schematic

(0)

USB Redirector

(0)

Philips 40PFL5625

Зарегистрировано всего

(370117)

Зарегистрировано сегодня

(15)

Зарегистрировано вчера

(181)

Зарегистрировано за 7 дней

(1077)

Зарегистрировано за 30 дней

(5120)

Новые сайты Новые Мастера в Вашем городе Последние Новости Участники прошедшие тест

Nitronik

(05.02.2026)

VLADYSLAV039

(04.02.2026)

Михаил111

(04.02.2026)

flampard

(04.02.2026)

aleks-zonov

(04.02.2026)

ALFAGHOST

(04.02.2026)

siawash

(04.02.2026)

bzmax

(04.02.2026)

a-l-e-x-k-o-m

(04.02.2026)

voz21

(04.02.2026)