Список форумов Ремонт бытовой техники и електронники Ремонт бытовой техники и электроники
 
  Файло-обменникФайлы    ПрошивкиПрошивки   ПродажаПродажа   ЛитератураЛитература   СтатьиСтатьи 
Форум

[ Новые сообщенияПравила форумаRSS ] Текущая дата: Понедельник, 02.03.2026, 04:41:17

  • Страница 1 из 1
  • 1
Модератор форума: VIKRYS  
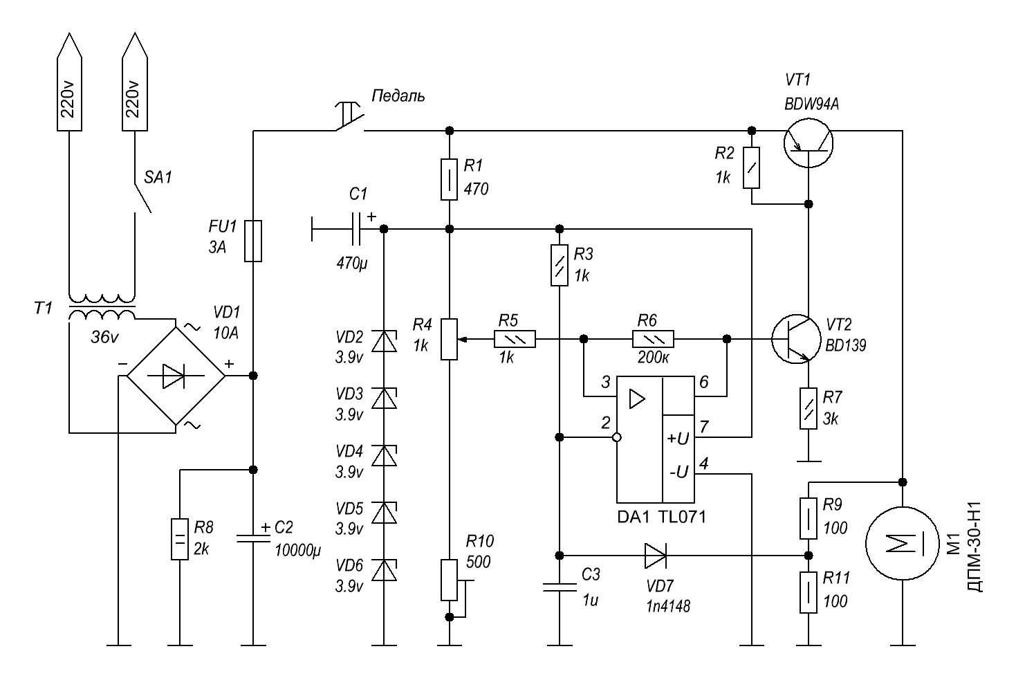
Стабилизатор оборотов для двигателя постоянного тока
Virus_exe Дата: Суббота, 26.01.2013, 09:45:50 | Сообщение # 1 | Отредактировал: Virus_exe - Суббота, 26.01.2013, 10:10:26
Автор темы
Участники
Сообщений: 19
Здравствуйте.

Нужен регулируемый стабилизатор оборотов для двигателя постоянного тока 100V / 22,3A.
Использовался в беговой дорожке. Родной схемы нет. Да и сложная она наверняка. На процессоре.
Мне нужен простой стабилизатор.

Двигатель похож на этот:
http://www.ebay.com/itm....5.l2557

Нашел такую схему:
http://radiokot.ru/forum/download/file.php?id=132866

Что в ней нужно изменить для моих целей?

P.S. Из двигателя, помимо питания, "торчат" еще два проводка синего цвета. В интернете не нашел ничего по этому поводу.
Измерял напряжение и сопротивление на них вращая двигатель рукой.
Сопротивление очень маленькое и даже если оно как-то менялось, то возможности моего мультиметра не позволили это выяснить,
а разности потенциалов, в отличии проводов питания, не наблюдалось.
Статус: отсутствует
-->
pincet Дата: Суббота, 26.01.2013, 11:52:03 | Сообщение # 2
Мотоциклист
Сообщений: 2542
Для просмотра сообщения Вы должны быть Участником форума. Для этого Вам необходимо Зарегистрироваться и пройти Тест.
Статус: отсутствует
-->
Аркадич Дата: Суббота, 26.01.2013, 12:18:14 | Сообщение # 3 | Отредактировал: Аркадич - Суббота, 26.01.2013, 12:23:46
Участники
Сообщений: 1428
Для просмотра сообщения Вы должны быть Участником форума. Для этого Вам необходимо Зарегистрироваться и пройти Тест.
Статус: отсутствует
-->
Virus_exe Дата: Суббота, 26.01.2013, 22:16:18 | Сообщение # 4
Автор темы
Участники
Сообщений: 19
Для просмотра сообщения Вы должны быть Участником форума. Для этого Вам необходимо Зарегистрироваться и пройти Тест.
Статус: отсутствует
-->
blackbudu Дата: Понедельник, 28.01.2013, 14:50:18 | Сообщение # 5 | Отредактировал: blackbudu - Понедельник, 28.01.2013, 14:54:35
Участники
Сообщений: 345
Для просмотра сообщения Вы должны быть Участником форума. Для этого Вам необходимо Зарегистрироваться и пройти Тест.
Статус: отсутствует
-->
blackbudu Дата: Понедельник, 28.01.2013, 14:52:51 | Сообщение # 6
Участники
Сообщений: 345
Для просмотра сообщения Вы должны быть Участником форума. Для этого Вам необходимо Зарегистрироваться и пройти Тест.
Скачать файл можно после регистрации регистрация | вход
Статус: отсутствует
-->
Virus_exe Дата: Понедельник, 28.01.2013, 15:34:50 | Сообщение # 7
Автор темы
Участники
Сообщений: 19
Для просмотра сообщения Вы должны быть Участником форума. Для этого Вам необходимо Зарегистрироваться и пройти Тест.
Статус: отсутствует
-->
blackbudu Дата: Понедельник, 28.01.2013, 15:44:24 | Сообщение # 8 | Отредактировал: blackbudu - Понедельник, 28.01.2013, 15:49:26
Участники
Сообщений: 345
Для просмотра сообщения Вы должны быть Участником форума. Для этого Вам необходимо Зарегистрироваться и пройти Тест.
Статус: отсутствует
-->
  • Страница 1 из 1
  • 1
Поиск:

Форма входа


Статистика сайта
Последние темы Читаемые темы Лучшие пользователи Новые пользователи

ADAM A3XРаздел: Профессиональная аудиоаппаратура

()

Swat SWAT 1.1000Раздел: Ремонт CarAudio

()

Electro-Voice Hypex ...Раздел: Профессиональная аудиоаппаратура

()

Датчики холла SOT23-...Раздел: Радиодетали и электронные компоненты (опознать,подобрать аналог,найти Datashee)

()

Philips 42PFL6057T/6...Раздел: LCD (ЖК) телевизоры

()

PowerSoft DIGAM K10Раздел: Профессиональная аудиоаппаратура

()

UPS Ippon smart wine...Раздел: Другая аппаратура

()

Siemens PXC100.D пос...Раздел: Радиодетали и электронные компоненты (опознать,подобрать аналог,найти Datashee)

()

RT809H

(5647)

machenist

(постов: 13767)

semvictor

(постов: 10220)

ильшат

(постов: 8443)

terrarist

(постов: 6905)

Сантехник

(постов: 6482)

ФАРТ

(постов: 5684)

Otto

(постов: 5580)

vini

(постов: 5397)

saadmohammed

(02.03.2026)

dannyx5321

(02.03.2026)

Dukalus

(02.03.2026)

Pikachu10

(02.03.2026)

EvilDemon

(02.03.2026)

tonibes

(02.03.2026)

franci

(02.03.2026)

Blackenergy55

(02.03.2026)

Новые Файлы Новые Прошивки Новые Статьи, Блоги Счетчики для пользователей

Mt5863 secure boot

(0)

Logo Tool

(0)

Tcon editör

(0)

RTK_Unpacking_Tool

(0)

Hisense Firmware

СVAT + Gemini

Philips 40PFL5625

Зарегистрировано всего

(374333)

Зарегистрировано сегодня

(3)

Зарегистрировано вчера

(151)

Зарегистрировано за 7 дней

(1099)

Зарегистрировано за 30 дней

(5209)

Новые сайты Новые Мастера в Вашем городе Последние Новости Участники прошедшие тест

Pikachu10

(02.03.2026)

EvilDemon

(02.03.2026)

Blackenergy55

(02.03.2026)

Абырвалг

(01.03.2026)

GreenHULK

(01.03.2026)

beneder95

(01.03.2026)

12rezvan12

(01.03.2026)

kornyakoff

(01.03.2026)

avanturist1215

(01.03.2026)

vladifil

(01.03.2026)