|
Педаль MXR, нужно опознать элементы sot23-5
| | |
|
|
Jenik
|
Дата: Четверг, 12.03.2026, 23:30:18 | Сообщение # 17
|
Автор темы
Участники
|
да понятно это все, не юный техник.. чип всеравно снят, думаю, померяются резисторы... завтра гляну - выложу
|
|
| -->
|
|
|
|
|
Jenik
|
Дата: Четверг, 12.03.2026, 23:35:06 | Сообщение # 18 | Отредактировал: Jenik - Четверг, 12.03.2026, 23:40:04
|
Автор темы
Участники
|
вот немного есть
Скачать файл можно после регистрации регистрация | вход
|
|
| -->
|
|
|
| |
|
|
Jenik
|
Дата: Пятница, 13.03.2026, 22:11:41 | Сообщение # 20
|
Автор темы
Участники
|
да, спасибо, буду копать аналоги, если не смогу оригинал найти...
|
|
| -->
|
|
|
| |
|
|
Jenik
|
Дата: Пятница, 13.03.2026, 23:01:47 | Сообщение # 22
|
Автор темы
Участники
|
Цитата machenist (  ) Кстати, что питается от неё (какая микросхема? или...) схем нет и не будет, компания NXR ..пока толком не понял, или систему индикации, или (и) проц и флэшку, это аудиопроцессор в формате педали.Добавлено (13.03.2026, 23:04:09) --------------------------------------------- но спасибо, такая даже у нас под заказ 7 дней есть...сравню даташиты, Добавлено (13.03.2026, 23:09:12) --------------------------------------------- вроде, эта управляется плюсом..
|
|
| -->
|
|
|
|
|
machenist
|
Дата: Пятница, 13.03.2026, 23:46:57 | Сообщение # 23 | Отредактировал: machenist - Пятница, 13.03.2026, 23:48:00
|
Участники
|
Цитата Jenik (  ) вроде, эта управляется плюсом. можно подтянуть эту ногу, к плюс, а если надо, EN управляемый — использовать, простейший инвертор сигнала, на транзисторе.
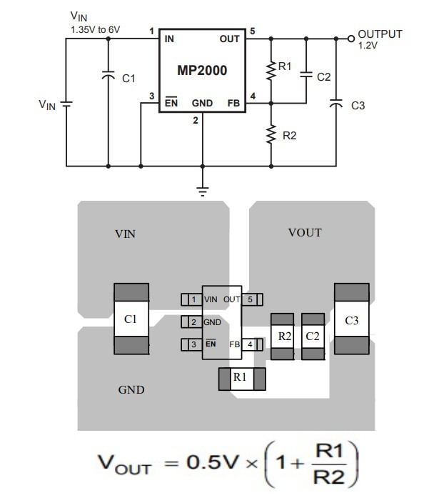
13 страница — расчёт FB резисторов, и уровень Vref 14 страница — уровни, переключения EN
Скачать файл можно после регистрации регистрация | вход
|
|
| -->
|
|
|
|
|
Jenik
|
Дата: Пятница, 13.03.2026, 23:49:00 | Сообщение # 24 | Отредактировал: Jenik - Среда, 18.03.2026, 17:33:47
|
Автор темы
Участники
|
Цитата Jenik (  ) многие по EN, коммутируються плюсом (родная, минусом)
Добавлено (18.03.2026, 17:12:24) --------------------------------------------- Придется, видимо, колхозить инвертор на управление, т.к.
"..Прямого функционального аналога MP2000 (MPS), который бы полностью совпадал по характеристикам, но имел инверсную логику управления (Active-Low EN), в стандартных линейках популярных производителей (TI, Microchip, Analog Devices) не существует, так как подавляющее большинство современных LDO используют Active-High (высокий уровень для включения)..."
Добавлено (18.03.2026, 17:33:04) --------------------------------------------- попробую TPS76901DBVR
|
|
| -->
|
|
|
|
|
machenist
|
Дата: Среда, 18.03.2026, 18:13:45 | Сообщение # 25 | Отредактировал: machenist - Среда, 18.03.2026, 18:15:24
|
Участники
|
кто ж его знает, есть - или нет в теме, нет информации
Скачать файл можно после регистрации регистрация | вход
|
|
| -->
|
|
|
| |
|
|
machenist
|
Дата: Четверг, 19.03.2026, 09:33:31 | Сообщение # 27 | Отредактировал: machenist - Четверг, 19.03.2026, 09:38:46
|
Участники
|
SSP7212-ADJДобавлено (19.03.2026, 10:06:03) --------------------------------------------- есть, с фиксированным выходом, например
NCP584
Скачать файл можно после регистрации регистрация | вход
|
|
| -->
|
|
|
|
|
machenist
|
Дата: Четверг, 19.03.2026, 10:06:50 | Сообщение # 28
|
Участники
|
datasheet
Скачать файл можно после регистрации регистрация | вход
|
|
| -->
|
|
|
|
|
Jenik
|
Дата: Четверг, 19.03.2026, 15:09:20 | Сообщение # 29
|
Автор темы
Участники
|
Не, эти с другим управлением по 3й ноге...да и взять негде.. в наших краях обнаружил в продаже TPS76901DBVR попробую его отпишусьДобавлено (22.03.2026, 20:15:18) --------------------------------------------- Всем спасибо, кто помогал и участвовал. Девайс запустил, но так и не узнал, что же означает этот смд код... То,что это не MP2000 и не его аналог - 100% ,управление другое...и, все-таки плюсом управляется, двумя уровнями. С помощью внешнего источника удалось разобраться, какую функцию выполняет этот стабилизатор. Дальше уже было дело техники и мелкая смд креночка на 5В.
|
|
| -->
|
|
|
|
|
Asket
|
Дата: Воскресенье, 22.03.2026, 20:38:00 | Сообщение # 30
|
Модераторы
|
Цитата Jenik (  ) То,что это не MP2000 и не его аналог - 100% Информации ты толком не предоставил, а твоё личное мнение вызывает большие сомнения.
|
|
| -->
|
|
|
|
|