|
Есть схемотехники на форуме? Будет работать или нет?
| |
|
machenist
|
Дата: Воскресенье, 08.03.2026, 08:00:37 | Сообщение # 16
|
Участники
|
Цитата pisar1965 (  ) как думаете[b] А не проще было сделать нужный и надежный питальник на классической микросхеме SG3525A. Рабочих и стабильных схем на ней в сети вагон и маленькая тележка. это, откровенная глупость
|
|
| -->
|
|
|
|
|
Serg_a
|
Дата: Воскресенье, 08.03.2026, 10:46:48 | Сообщение # 17
|
|
Участники
|
Цитата ssaransk (  ) Учтя все замечания нарисовал вот это, как думаете это лучше? питание операционного усилителя однополярное,на инвертирующий вход ОУ подается отрицательное напряжение.Опорное - положительное напряжение на неинвертирующем входе. Т.е. схема работать не будет, нужно двухполярное питание ОУ.
|
|
| -->
|
|
|
|
|
Женек17
|
Дата: Воскресенье, 08.03.2026, 11:55:36 | Сообщение # 18
|
Участники
|
Цитата Serg_a (  ) нужно двухполярное питание ОУ.
И да, и нет.
- Большинство стандартных операционных усилителей и компараторов, работая от однополярного питания, способны воспринимать и обрабатывать сигналы лишь в диапазоне от потенциала общей шины («земля») до величины, близкой к напряжению питания.
-Но всегда можно пойти на хитрость, использовать простейший резистивный делитель для сдвига уровня, то есть делитель не относительно земли, а относительно тех же +15В (если стабильно) для перевода всего измеряемого диапазона в область положительных значений.Добавлено (08.03.2026, 12:21:17) --------------------------------------------- - К стати zotac привел схему из радиокота и там как раз делитель со сдвигом уровня , R4 20кОм подключен к выходу ОУ где в до срабатывания +5В, а R5,R6,R12-R14 10МОм подключены к -high_volt , например если -high_volt = -1000В то в средней точке делителя у нас примерно +3В, вполне измеряемое положительное напряжение. При повышении -high_volt , напряжение в средней точке понижается , при переключении ОУ естественно тоже что и приводит ОУ в первоначальное состояние.
Почему бы этот кусок схемы и не взять вместе со стабилизатором 7805 , умные люди в лице автора статьи уже все посчитали и проверили.
|
|
| -->
|
|
|
| |
| |
| |
| |
|
|
ssaransk
|
Дата: Понедельник, 09.03.2026, 22:25:24 | Сообщение # 23
|
Автор темы
Участники
|
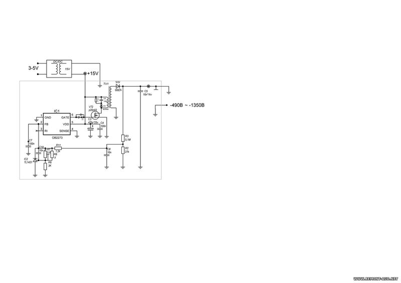
Цитата G67985 (  ) ssaransk, не нравится твой подход, киловольтные импульсы на вторичке не есть хорошо для измерительной аппаратуры. Проще и стабильней синусоидальный высоковольтный генератор. Всего два транзистора + транс инвертора = стабильный источник напряжения от 200V до пары киловольт. https://remont-aud.net/forum/89-13614-376871-16-1444228586Если интересно, подцеплю диод и сделаю замеры Посмотрел, а как же стабилизация, ведь для меня самое главное это стабильность, потому что, когда снимаешь спектр, напряжение долно стоять как вкопанное.
Я подумал, а что если сделать по изначальной схеме, контроллировать положительное напряжение, но запитать от гальванически развязанного преобразователя +15в, а выход высоковольтного источника использовать отрицательный, а положительный заземлить на общую землю.Добавлено (09.03.2026, 23:02:21) --------------------------------------------- Вот так
|
|
| -->
|
|
|
|
|
ssaransk
|
Дата: Понедельник, 09.03.2026, 23:02:57 | Сообщение # 24
|
Автор темы
Участники
|
Скачать файл можно после регистрации регистрация | вход
|
|
| -->
|
|
|
| |
| |
|
|
Женек17
|
Дата: Вторник, 10.03.2026, 17:09:35 | Сообщение # 27
|
Участники
|
Ранее интересным способом решали стабилизацию на транзисторах ,
но сейчас конечно же лучше использовать ОУ , как и сказал многоуважаемый G67985,
Цитата G67985 (  ) для стабильности при разной нагрузке нужен ОУ, который будет управлять питанием я бы прислушивался к советам Олега, судя по статьям , человек очень силен.
Скачать файл можно после регистрации регистрация | вход
|
|
| -->
|
|
|
| |
| |
| |
|
|